问题描述:
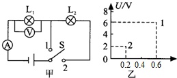
如图甲所示,当开关S由接点1转到接点2时,电压表示数变化如图乙所示,则灯泡L2两端的电压是___V,电源电压是___V.
最佳答案: 由电路图可知,当S接1时,电路为R1的简单电路,电压表测电源的电压,由图乙可知,电源的电压U=6V,
当S接2时,两灯泡串联,电压表测L1两端的电压,电流表测串联电路的电流;
由图乙可知,U1=2V,故灯泡L2两端的电压是:
U2=6V-2V=4V.
故答案为:4;6.
版权声明
声明:有的资源均来自网络转载,版权归原作者所有,如有侵犯到您的权益
请联系本站我们将配合处理!
上一篇 : 带有什么的除法就是有余数的除法
下一篇 :简析史记与汉书的异同
