在图所示的电路中,当滑动变阻器R的滑片P从B向A滑动的过程中,电压表V1、V2示数的变化量的值分别为△U1、△U2,则它们的大小相比较应该是()A.△U1<△U2B.△U1>△U2C.△U1=△U2D
问题描述:
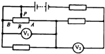
在图所示的电路中,当滑动变阻器R的滑片P从B向A滑动的过程中,电压表V1、V2示数的变化量的值分别为△U1、△U2,则它们的大小相比较应该是( )
A. △U1<△U2B. △U1>△U2
C. △U1=△U2
D. 因为无具体数据,故无法比较
最佳答案: ∵滑动变阻器R与电阻R1并联,再与R2、R3串联,
电压表V1测并联部分电路两端的电压;V2测中间定值电阻R2两端的电压;
当滑动变阻器滑片由B向A移动时,滑动变阻器的阻值减小,引起并联电路部分的总电阻变小,即电压表V1的示数变小,变化量为△U1,
根据串联电路的电阻分压特点可知,定值电阻R2、R3两端的电压变大;
∵U1=U-U2-U3,
∴△U1=△U2+△U3,
∴△U1>△U2.
故选B.
版权声明
声明:有的资源均来自网络转载,版权归原作者所有,如有侵犯到您的权益
请联系本站我们将配合处理!
